Welcome Guest
[
Login
] or [
Sign Up
]
Cart
Your Shopping Cart is Empty
Cart:
0
items worth
$0.00
Welcome Guest
[
Login
] or [
Sign Up
]
Our Products
Current Specials
Contact Us
Login
Register
0
Cart
Home
About Us
News
Catalogue
categories
Air Compressors & Air Tools
Generators
Site & Construction
Fasteners & Adhesives
Workshop Equipment
Hand Tools
Lifting & Handling
Ladders & Scaffold
Machinery
Cordless Tools
Powered Equipment
Cleaning
Construction Equipment
Tool Boxes
Power Tool Accessories
Welding
Manufacturing Components
Spare Parts
Unclassified
Current Specials
Fast Order
Dealer Locator
Contact Us
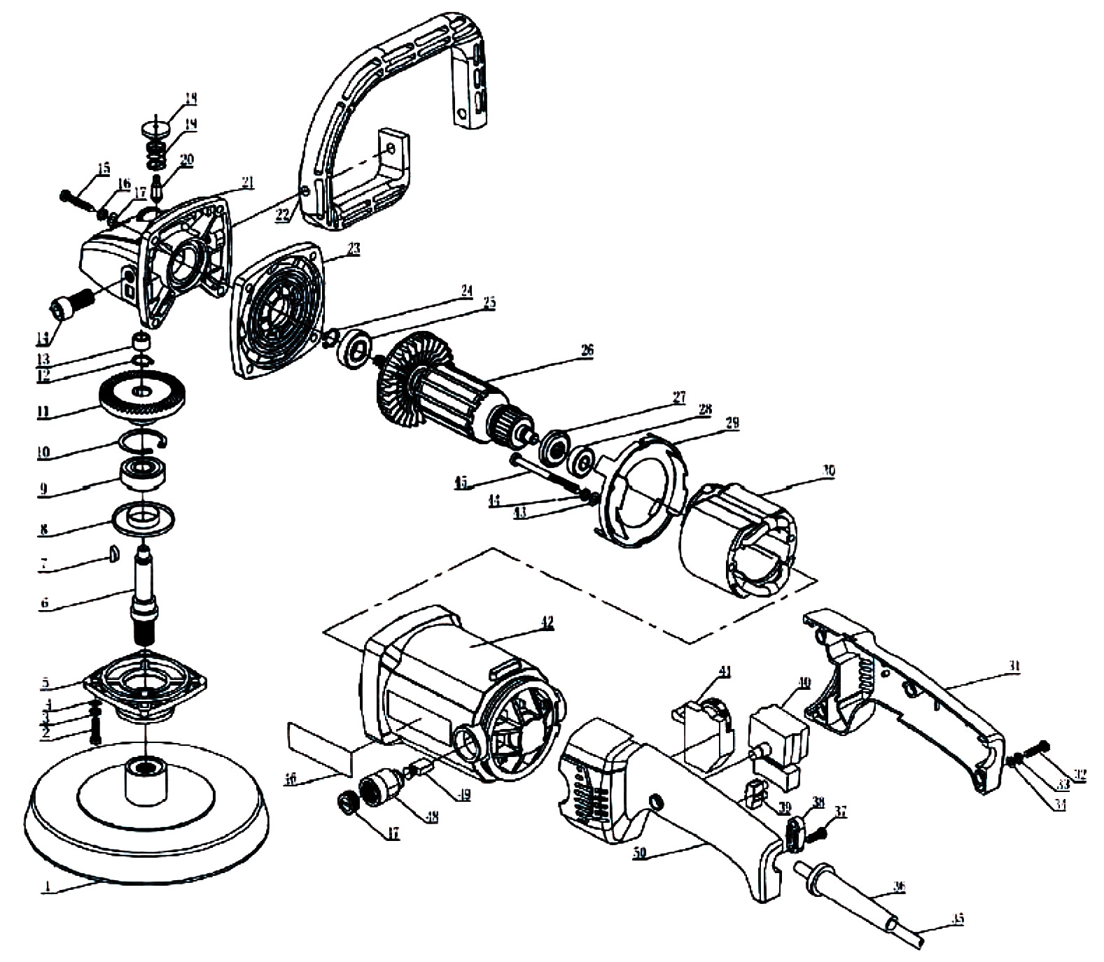
Sander Polisher T180Sp Switch 537121-40 598031
Home
//
Spare Parts
//
Power Tool Spares
//
Spares power Tools
// Sander Polisher T180Sp Switch 537121-40 598031
Sander Polisher T180Sp Switch 537121-40 598031
$13.00
($11.82 + GST)
Code:
592939
Brand:
Toolex
Product Details
Sander Polisher T180Sp Switch 537121-40 598031
Estimate Freight
To estimate the freight on this item simply enter the destination postcode and the desired quantity and click the "estimate" button.
Postcode
Quantity
Estimate
Back to the top